Combinational Components: 조합 구성 요소
- More complex integrated circuits(ICs): 보다 복잡한 집적회로
- Decoder
Converts a coded input to a decoded output: 코드화된 input을 디코딩된 출력으로 변환

- Encoder
Converts a set of binary inputs into a unique binary code: 이진입력 집합을 고유 이진코드로 변환

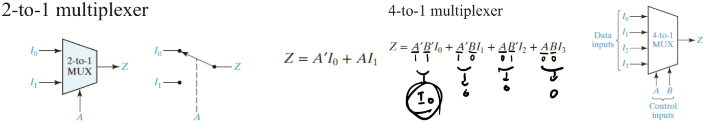
- Multiplexer(MUX)
Selects between several input signals and forwards the selected input to a single output line: 여러 입력 신호 중에서 선택하고 선택한 신호를 단일 출력 라인으로 전달
Known as data selector: 데이터 선택기(들어온것 중 하나 선택)


- Demultiplexer
Takes a single input signal and chooses one of several output lines based on a set of control signals: 단일 입력 신호를 취하고 일련의 제어 신호를 기반으로 여러 출력 라인 중 하나를 선택
Performs the reverse operation of Multiplexer: 멀티플렉서의 역방향 작업
Sequential Components: 순차
- Memory device:메모리 장치
Remembers something about the past history of inputs: 입력의 과거 이력에 대한 내용을 기억
Assumes one of two stable output states: 두 가지 안정적인 출력 상태 중 하나를 가정
Has one or more inputs to cause the output state to change: 하나 이상의 입력, 상태를 바꾸기 위해
- Latch
A memory element that has no clock input: 클럭 입력이 없는 메모리 요소
Each latch works independently with respect to timing: 타이밍과 관련하여 독립적으로 작동
- Flip-flop
A memory element that has a clock input: 클럭 입력을 갖는 메모리 요소
The operation of all flip-flops are synchronized by a common clock or pulse generator: 공통 클럭 또는 펄스 발생기에 의해 동기화
The flip-flops can only change output in response to a clock input, not data inputs: 클럭 입력에 응답하여 출력만 변경, 데이터 입력이 아니라



Sequential Circuits: Combinational circuits + storage elements | 순차회로: 조합회로+저장요소
- The outputs depend on a combination of both the present inputs as well as the previous inputs/outputs: 출력은 현재 입력과 이전 입력/출력의 조합에 따라 달라집니다
- Store and use the previous state information to determine their next state: 이전 상태 정보를 저장하고 사용하여 다음 상태 결정

State- Binary information stored in the storage elements: 저장 요소에 저장된 이진 정보
입력 X를 취하고 출력 Z를 생성합니다
두 개의 플립플롭으로 최대 4가지의 상태를 기억할 수 있습니다
출력 Z는 입력 X와 두 상태 변수의 함수입니다

A | B
0 | 0
0 | 1
1 | 0
1 | 1
동일한 입력에 대한 다른 출력

'학교 수업 > 컴퓨터구조' 카테고리의 다른 글
| [컴퓨터구조] 게이트와 부울대수, 연산식 (디지털 논리회로: Chap0. Digital Logic Circuits) (0) | 2024.04.29 |
|---|---|
| [컴퓨터구조] 디지털 논리회로(Chap0. Digital Logic Circuits) (0) | 2024.04.29 |